WJ-4 Underground Diesel LoaderThe WJ-4 loader is 4.5m³ (10 ton) capacity Load Haul Dump (LHD) designed to offer superior productivity. With stronger boom, high breakout forces and high lift, WJ-4 provides fast bucket fil···
Category: Underground Disel Loader
WJ-4 Underground Diesel Loader
The WJ-4 loader is 4.5m³ (10 ton) capacity Load Haul Dump (LHD) designed to offer superior productivity. With stronger boom, high breakout forces and high lift, WJ-4 provides fast bucket filling and shorter cycle times. The advanced powertrain technology includes a proven transmission with reliable gear shifting and torque converter ensuring fast ramp speeds to quickly clear tunnel headings. Durable axles use limited slip differentials to maintain traction and spring applied hydraulic release brakes for safer braking.
Description
The WJ-4 offers reduced dilution, better flexibility, and operator safety for underground mining. Easy to operate and maintain, and it features an operator compartment that is located in the rear frame of the machine to ensure increased operator safety.
The WJ-4 is available with a robust ROPS and FOPS standard closed cabin with air conditioner, both protecting the operator in case of rolling over or falling objects. To minimize the need to move around the machine or use special tools, the LED screen color display in the operator’s compartment provides service information, easy system diagnostics and alarm log files.
The WJ-4 ’s advanced powertrain technology features a proven transmission with good gear box ensuring fast ramp speeds to quickly clear tunnel headings. Powerful boom and bucket hydraulics enables the use of both lift and tilt functions simultaneously when penetrating to the muck pile, making one-pass bucket filling easy and contributing to high fill factors.
Advantages
- Control System provides service information, system diagnostics and alarm log files on a touch screen for easy access.
- Low cost per tonne by extended component lifetimes and robust structure
- Close Cabin with air conditioner for comfortable operation
- High ramp speeds, fast bucket filling and high lift for best-in-class production performance
- Maintenance friendly with smart placement of key service areas and service access
Technical data
Capacity | |
Load Capacity | 10000kg |
Bucket Size | 4 m³ (Option 4.5 m³) |
Breakout Force | 186kN |
Traction Force | 204kN |
Speed | 0~ 27 km/h |
Climing Ability(Laden) | 20° |
Dimension | |
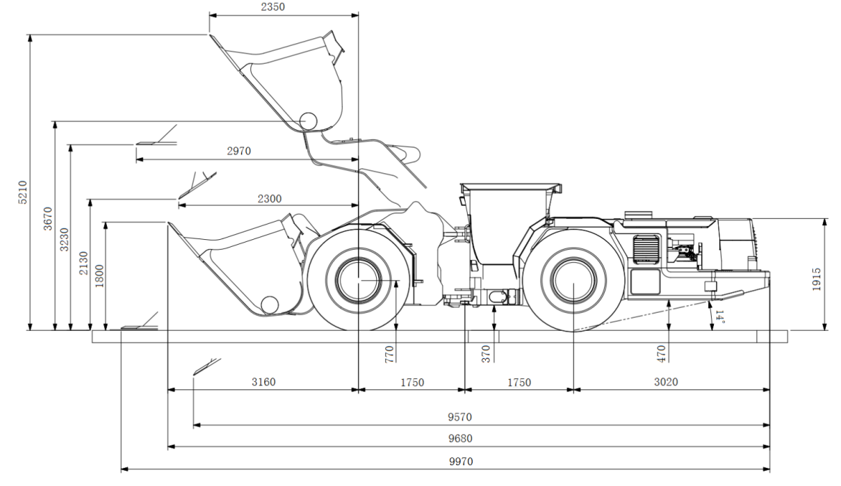
Tramming Size (LxWxH) | 9700*2600*2385mm |
Max Lift Height | 5210mm |
Max Unloading Height | 2130mm |
Ground Clearance | 370mm |
Inner Turning Radius | 3010mm |
Outer Turning Radius | 6550mm |
Weight | |
Operation Weight | 30000kg |
Laden Weight | 40000kg |
Front Axle (Empty) | 13500kg |
Rear Axle (Empty) | 16500kg |
Front Axle (Laden) | 23500kg |
Performance | |
Speed | 0~25km/h |
Boom Raising Time | ≤6.5s |
Boom Lowering Time | ≤5.0s |
Dumping Time | ≤3.2s |
Oscilation Angle | ±8° |
Engine | |
Engine | Volvo TAD1150VE |
Engine Power | 235kw / 2100rpm |
Engine Type | Water-Cool & Turbocharge |
Cylinders | 6 In line |
Displacement | 10.84L |
Max Torque | 1581Nm |
Emission | EURO III / Tier 3 |
Transmission | |
Torque Converter | DANA C50000 |
Gear Box | DANA 36000 |
Axle | |
Front Axle | DANA 20D |
Rear Axle | DANA 20D |
Tyre size | 18.00 R25 |
Dimension Drawing


WJ-4 Photo

Solid as a rock, Way of succeed
ROCKWAY is a global high-tech mining equipment supplier in China, support mining houses and contractors worldwide with mainly mining equipment & spare parts, such as Drilling Rig, Tunneling Drilling Jumbo, Mining Drilling Jumbo, Bolting Jumbo, Mucking Loader Underground Loader, Underground Dump Truck, Utility Vehicle, Tunnel & Construction equipment, Crushing & screening equipment and etc.
ROCKWAY is mainly engaged in the design, development, production, installation and training of underground mine equipment and ore processing equipment, spare parts supply and sales with many years experience.
ROCKWAY strictly control the quality and have quality supervision and inspection personnel in all aspects of production. After the completion of the machine, ROCKWAY will also have specialized inspection personnel to conduct a full range of inspections on the machinery, including whether parts and components are in place and whether all the functions of the machinery are normal.
ROCKWAY has a strong, established footprint in China, Russia , Peru, Chile, Mexico, India, Indonesia, Zambia, Congo RC, and South Africa with focused expansion into South East Asia and South America, as well as North America. Rockway will ensure to provide customers the most cost-effective and high performance products.
| Email: rockwaymachinery@163.com | Phone: +8613793160992 |
| WhatsApp/Wechat: +8613793160992 | Address: No.12111 Jingshi Road,Lixia district, Jinan City, Shandong, China |
Get A Free Quote
x